Набор для самостоятельной сборки
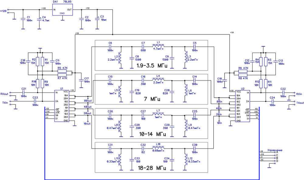
Четыре полосовых фильтра используются в тракте RX и TX для покрытия всех КВ-диапазонов (1.9-3,5МГц; 7 МГц; 10-14 МГЦ, 18-28 МГц). Фильтры реализуются с использованием стандартных значений конденсаторов и индуктивностей. Переключение диапазонов фильтра достигается с помощью переключателей SN74CBT3253, два из них: один на входе и один на выходе для предотвращения перекрестных помех. Для управления используются две параллельные линии данных, а также линии TX и RX, которые выбирают режим приема или передачи. Это один из самых простых, компактных и простых в построении фильтров, не уступающий фильтрам других конструкций. Данная конструкция хорошо зарекомендовала себя в импортных трансиверах.
Состав набора: печатная плата, индуктивности, микросхемы 3253, конденсаторы и резисторы
Размеры печатной платы 92х43мм
